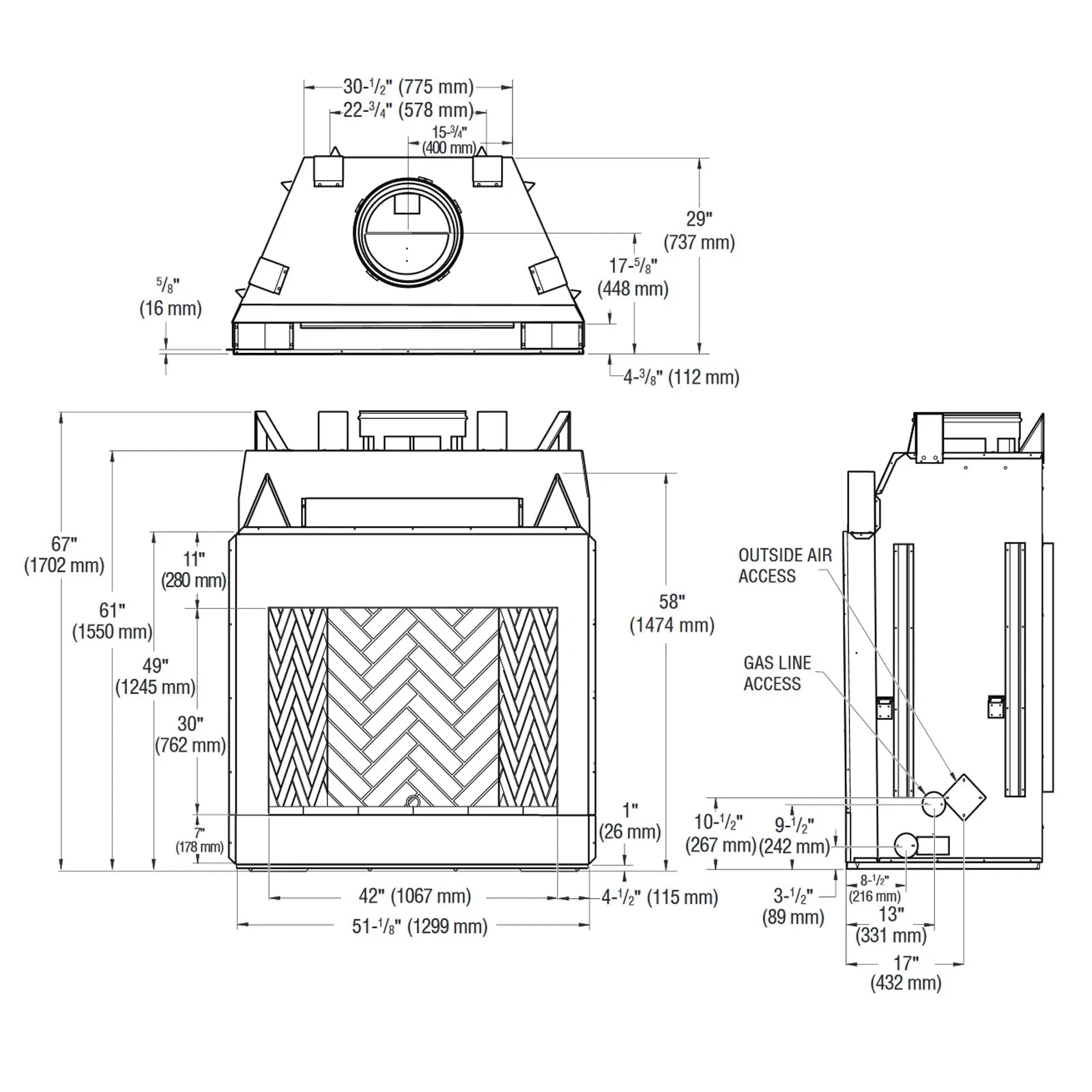
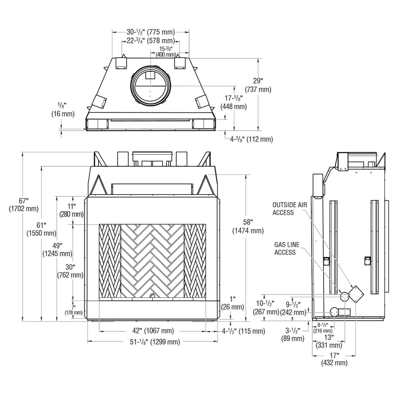
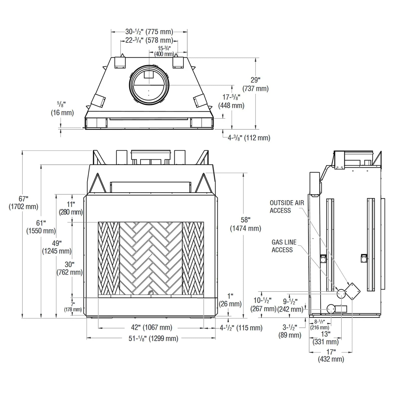
The Superior 42″ WRE4542 Outdoor Wood Burning Fireplace comes with a fully insulated firebox and features a 30″ tall opening and full brick-to-face design with no visible sheet metal.
This wood fireplace is built from the finest appliance grade stainless steel and is approved for both indoor and outdoor installation and use.
The WRE4542 features the industry’s finest refractory brick liners in Natural White, in stacked brick or herringbone.
Features:
- Massive smoke dome with no visible smoke shelf for reliable operation
- Fully insulated firebox for increased performance in colder climates
- Refractory panels in two patterns with integrated ash lip
- Heavy duty stainless steel log grate
- Easy access damper control
- Includes stainless steel mesh fire screens
- Dual (left hand/right hand) outside air kits available for maximum performance
- Stainless steel construction for long lasting outdoor use
- Uses IHP 12 DM (1700º) double wall air cooled wood burning chimney
- Uses IHP 12 HT (2100º) heavy gauge double wall air cooled wood burning chimney, recommended for cold climates (required for Canada)
- 20 year limited warranty
White Stacked Refractory Panels
White Herringbone Refractory Panels
Product Specifications:
Product Details | ||
| Fuel Type: | Wood | |
|---|---|---|
| Vent Type: | Vented | |
| Installation Type: | Zero Clearance | |
| Style: | Traditional | |
| Weight: | 534 lbs. | |
Dimensions:
Actual Dimensions | ||
| Height | Width | Depth |
|---|---|---|
| 67″ | 511/8“ | 29″ |
Framing Dimensions | ||
| Height | Width | Depth |
| 671/8“ | 515/8“ | 301/8“ |
Model Numbers:
- White Herringbone Refractory Panels (WRE4542WS)
- White Stacked Refractory Panels (WRE4542WH)
























Reviews
There are no reviews yet.